
You are all searching: Pogo pin Pogo pin connector Solid pin
BackLocation:Home / Products / Pogo pin / DIP/Plug in Pogo pin
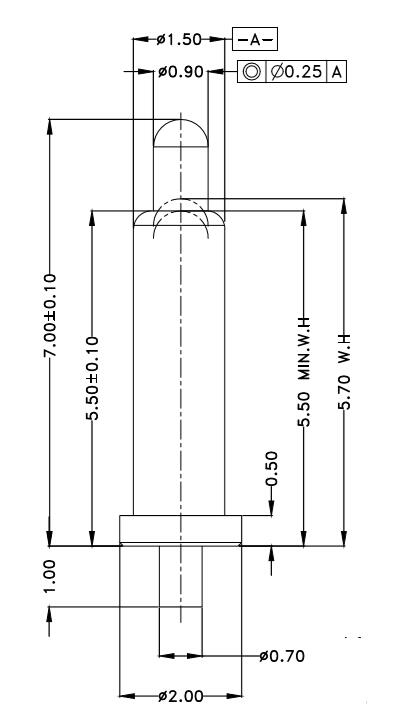
Category:Pogo pin
Barrel material:Brass C3604/Brass C6801/Becu
Plunger material:Brass C3604/Brass C6801/Becu
Spring material:SUS304/SWP/Becu
Plunger plating spec:2u“ min. Au over 50-100u" Ni
Barrel plating spec:2u“ min. Au over 50-100u" Ni
Rating current:1A AC/DC
Rating voltage: DC12V
Contact resistance:100 mohm max.
Durability: 10000-100000 cycles
Salt spray:48 hours min.
RoHS and REACH compliant
Withstanding high temperature: 260℃/10s
Hotline:+86-13380385476